THREADED PORT |
PART NO. | DESCRIPTION | PART DIMENSIONS | ||||||
|---|---|---|---|---|---|---|---|---|---|
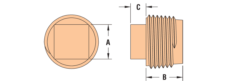
| A 12-Point Socket Head* |
B Depth |
C Head Height |
D Shoulder Diameter |
||||||
| in. | mm. | in. | mm. | in. | mm. | ||||
For NPS Threaded Ports - 12 Point Head - Red Color |
|||||||||
| 1/8 | G5410 | PNPS 1/8 | 9/16 | .27 | 6,9 | .31 | 7,9 | .56 | 14,2 |
| 1/4 | G5411 | PNPS 1/4 | 9/16 | .37 | 9,4 | .31 | 7,9 | .74 | 18,8 |
| 3/8 | G5412 | PNPS 3/8 | 9/16 | .33 | 8,4 | .38 | 9,7 | .83 | 21,1 |
| 1/2 | G5413 | PNPS 1/2 | 9/16 | .55 | 14,0 | .37 | 9,4 | 1.04 | 26,4 |
| 3/4 | G5414 | PNPS 3/4 | 9/16 | .63 | 16,0 | .41 | 10,4 | 1.31 | 33,3 |

| Material | HDPE |
|---|---|
| Temperature Range | 0°F (-18°C) to 165°F (74°C) |
