
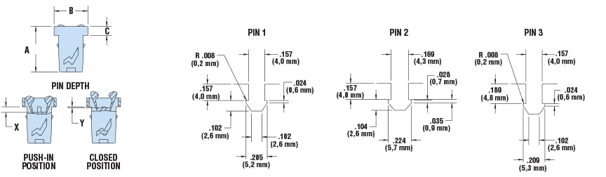
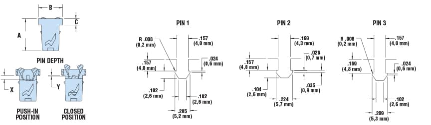
| MOUNTING HOLE Dimensions | PANEL THICKNESS | PART NO. Black | DESCRIPTION | Mating Pin | PIN DEPTH | PART DIMENSIONS | ||||||||||
|---|---|---|---|---|---|---|---|---|---|---|---|---|---|---|---|---|
| X Push-in | Y Closed | A Length | B Arm Spread | C Head Height | ||||||||||||
| in. | mm. | in. | mm. | in. | mm. | in. | mm. | in. | mm. | in. | mm. | in. | mm. | |||
| .315 x .276 | 8,0 X 7,0 | .08 | 2,0 | 14309 | DPL-100A | 1 | .071 | 1,80 | .014 | 0,35 | .59 | 15,0 | .43 | 11,0 | .11 | 2,9 | 
| 14312 | DPL-150F | 2 | .077 | 1,95 | .020 | 0,50 | ||||||||||
| 14313 | DPL-700F | 2 | .073 | 1,85 | .020 | 0,50 | .58 | 14,8 | .43 | 11,0 | .11 | 2,9 | ||||
| 14314 | DPL-400P | 3 | .059 | 1,50 | .016 | 0,40 | .58 | 14,8 | .43 | 11,0 | .12 | 3,1 | ||||

| Material | Nylon 6/6 | 
|---|---|
| Flammability Rating | 94V-2 | 
| Temperature Range | 32°F (0°C) to 185°F (85°C) | 
