Heyco®-Tite Liquid Tight Romex® and Other Oval Hole Connectors
Straight-Thru, NPT Hubs with Integral Sealing Ring
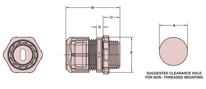
For Romex® NM-B and UF-B Cables. For use in clearance or threaded holes, electrical...
| WILL FIT THESE CABLES | PART NO. | DESCRIPTION | PART DIMENSIONS | |||||||||||||
|---|---|---|---|---|---|---|---|---|---|---|---|---|---|---|---|---|
| Romex® Type | AWG/ Conds. | Approximate Size | Black with Assembled Steel Lcknt | A Clearance Hole Hole Dia. | B Max O.A. Length | C Thread Length | D Wrenching Nut Thickness | E Wrenching Nut Flat Size | ||||||||
| in. | mm. | in. | mm. | in. | mm. | in. | mm. | in. | mm. | in. | mm. | |||||
Romex® Connectors - assembled steel locknuts included |
||||||||||||||||
| NM-B | 14/2 | .19 x .39 | 4,9 x 9,9 | M3231GZA* | LTCG 1/2 | .875 | 22,2 | 1.70 | 43,2 | .61 | 15,5 | .21 | 5,3 | .98 | 24,9 | |
| M3234GZA | LTCG 3/4 | - | 1.109 | 28,2 | 2.00 | 50,8 | .62 | 15,7 | .25 | 6,4 | 1.30 | 33,0 | ||||
| NM-B | 12/2 | .21 x .42 | 5,3 x 10,7 | M3231GZB* | LTCG 1/2 | .875 | 22,2 | 1.70 | 43,2 | .61 | 15,5 | .21 | 5,3 | .98 | 24,9 | |
| M3234GZB | LTCG 3/4 | 1.109 | 28,2 | 2.00 | 50,8 | .62 | 15,7 | .25 | 6,4 | 1.30 | 33,0 | |||||
| UFB | 14/2 | .18 x .35 | 4,5 x 8,9 | M3234GZE | LTCG 3/4 | - | 1.109 | 28,2 | 2.00 | 50,8 | .62 | 15,7 | .25 | 6,4 | 1.30 | 33,0 |
| 12/2 | .19 x .42 | 4,8 x 10,7 | M3234GZF | LTCG 3/4 | ||||||||||||
| 14/3 | .19 x .63 | 4,8 x 16,1 | M3234GZG* | |||||||||||||
Other Oval Hole LTCGs - locknuts not included |
||||||||||||||||
| n/a | n/a | .45 x .21 | 11,4 x 5,3 | M3234GZK | LTCG 3/4 | - | 1.109 | 28,2 | 2.00 | 50,8 | .62 | 15,7 | .25 | 6,4 | 1.30 | 33,0 |
| .31 x .19 | 7,9 x 4,8 | M3234GZM | LTCG 3/4 | |||||||||||||
| n/a | n/a | .69 x .19 | 17,5 x 4,8 | M8437GZH | LTCG 1 | - | 1.326 | 33,7 | 2.41 | 61,2 | .76 | 19,3 | .30 | 7,6 | 1.73 | 43,9 |

| Material | Nylon 6/6 with TPE Sealing Gland | |
|---|---|---|
| Certifications | Listed under Underwriters’ Laboratories File E103540 | |
| Flammability Rating | 94V-2 | |
| Temperature Range | Static -40°F (-40°C) to 239°F (115°C) Dynamic -4°F (-20°C) to 212°F (100°C) |
|
| IP Rating | IP 68 |

